北极星碳管家网获悉,为落实《中共中央 国务院关于完整准确全面贯彻新发展理念做好碳达峰碳中和工作的意见》《2030年前碳达峰行动方案》有关工作部署,推动重点用能产品设备能效水平提升和技术装备更新改造,促进有效投资,11月17日,国家发展改革委、工业和信息化部、财政部、住房城乡建设部、市场监管总局联合印发了《关于发布〈重点用能产品设备能效先进水平、节能水平和准入水平(2022年版)〉的通知》,详情如下:
国家发展改革委等部门关于发布《重点用能产品设备能效先进水平、节能水平和准入水平(2022年版)》的通知
发改环资规〔2022〕1719号
各省、自治区、直辖市及计划单列市、新疆生产建设兵团发展改革委、工业和信息化主管部门、财政厅(局)、住房城乡建设厅(委、管委、局)、市场监管局(厅、委):
重点用能产品设备产销数量多、使用范围广、耗能总量大,与日常生产生活密切相关。提升重点用能产品设备能效水平,是推进节能降碳工作的重要举措,既有利于实现碳达峰碳中和,也有利于制造业提质升级。为贯彻落实《中共中央 国务院关于完整准确全面贯彻新发展理念做好碳达峰碳中和工作的意见》《2030年前碳达峰行动方案》和《“十四五”节能减排综合工作方案》有关部署,引导生产者提升技术工艺水平,督促使用者加快淘汰落后设备,鼓励消费者扩大绿色产品消费,经商有关方面,现发布《重点用能产品设备能效先进水平、节能水平和准入水平(2022年版)》,并就有关事项通知如下。
一、合理划定能效水平
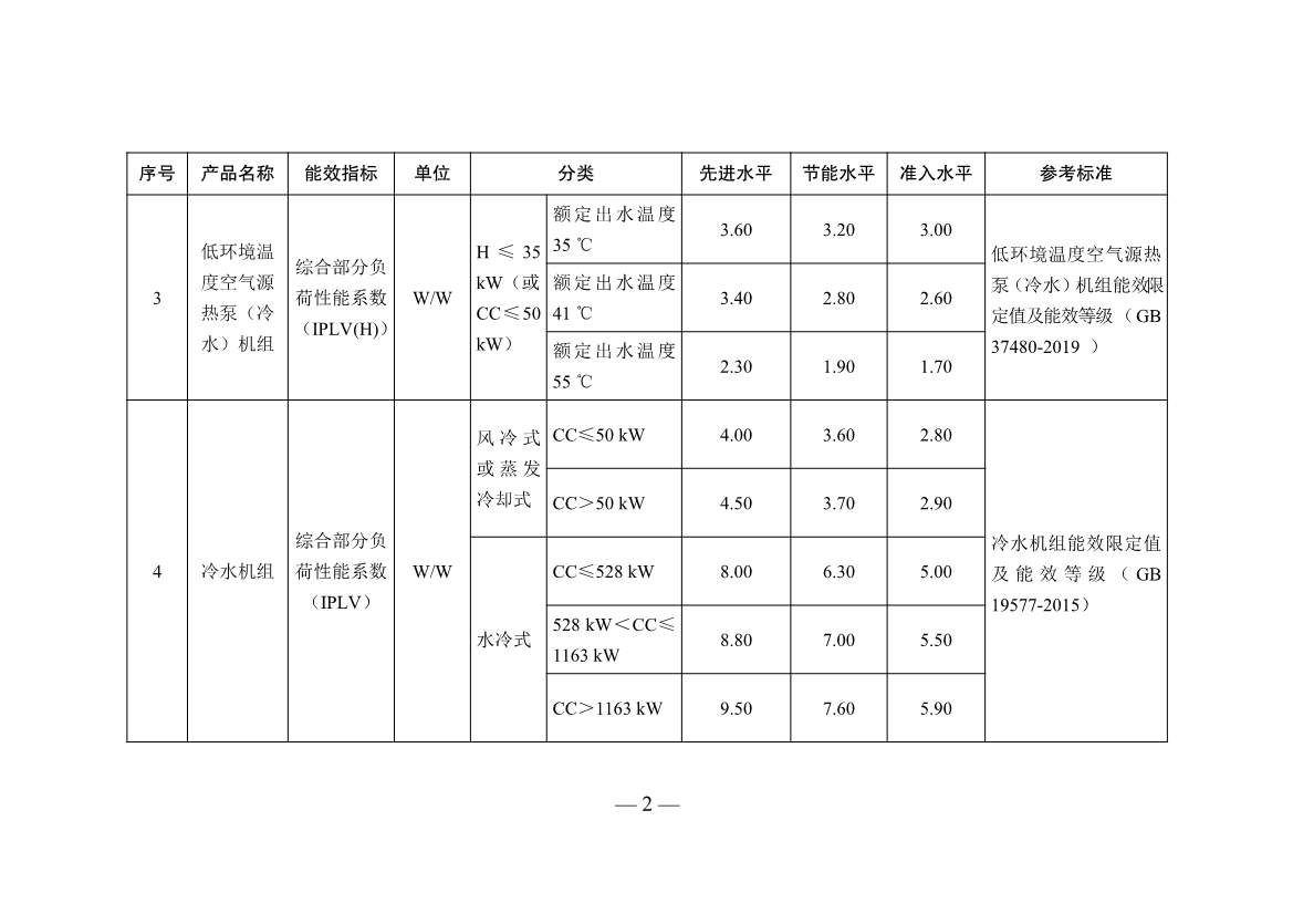
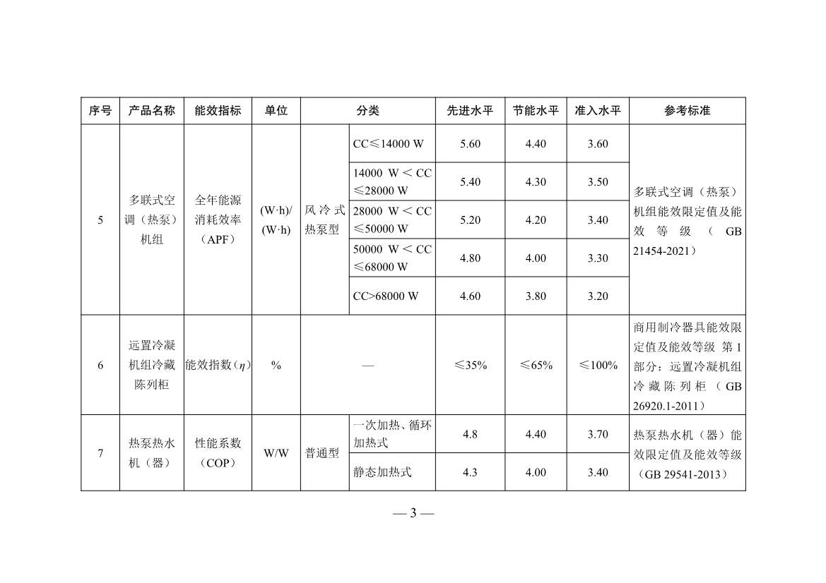
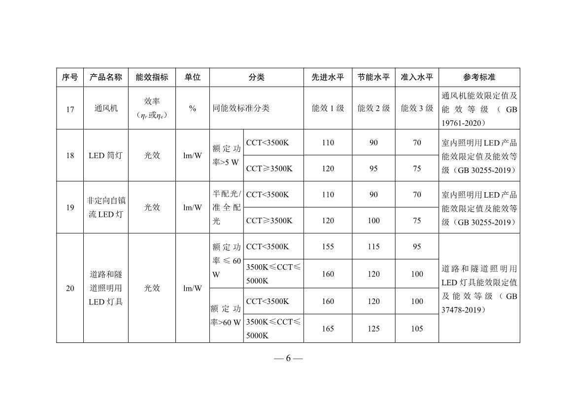
参考相关重点用能产品设备现行能效强制性国家标准,综合考虑我国相关产业技术水平和发展阶段,对标国内外同类产品设备先进能效水平,将有关产品设备能效水平划分为先进水平、节能水平、准入水平三档。准入水平为相关产品设备进入市场的最低能效水平门槛,数值与现行有关能效标准限定值一致;节能水平为不低于现行能效2级,与能效准入水平产品设备相比,更符合节能降碳工作要求,同时在3至5年内可转化为下一阶段的准入水平;先进水平为不低于能效1级,是当前相关产品设备所能达到先进能效水平。重点用能产品设备能效测试方法为相应国家标准的测试方法,涵盖范围将根据节能降碳工作需要适时调整和补充。重点用能产品设备能效的先进水平、节能水平、准入水平也将根据行业技术进步及能效标准制修订情况,及时进行调整,持续推动重点用能产品设备能效提升。
二、大力推广高能效产品设备
完善政府绿色采购相关政策,扩大绿色采购产品范围。将节能产品等纳入统一的绿色产品体系,加快建立统一的绿色产品标识、认证和采信制度。国有企业要加强产业链供应链能效管理,带头执行企业绿色采购指南,强化采购中的能效约束,积极采购能效先进水平产品设备。鼓励零售企业、电商平台通过设置产品专区、增加专有标识、发放绿色优惠券等方式,引导消费者优先选购能效先进水平产品设备。落实节能节水专用设备和项目企业所得税优惠政策,鼓励企业优先选用能效先进水平产品设备、开展节能降碳改造。支持绿色建筑、超低能耗、近零能耗建筑和重大交通基础设施等提高能效先进水平产品设备应用比例。各地在出台促进消费有关政策措施时,要坚持绿色低碳导向,鼓励采用补贴、以旧换新、积分奖励等多种方式,引导居民选购能效先进水平产品设备,原则上不得对能效低于节能水平的产品设备给予补贴。
三、加快淘汰落后产品设备
各级节能主管部门要严把节能审查关,企业新建、改扩建项目不得采购使用能效低于准入水平的产品设备,新建年耗能1万吨标准煤及以上项目,以及获得中央预算内投资等财政资金支持的项目,其主要用能产品设备原则上不得采购使用能效低于节能水平的产品设备,优先采购使用能效达到先进水平产品设备。各级市场监管部门要加大质量监管力度,依法依规禁止能效低于准入水平的产品设备生产销售,严厉打击能效水平虚假宣传行为。各级节能主管部门、工业和信息化主管部门要强化节能监察,引导重点用能单位实施重点产品设备更新换代和改造升级,督促企业依法依规淘汰老旧落后产品设备。
四、推动相关产业提质升级
完善能效标准体系和能效标识制度,抓紧制修订一批产品设备能效强制性国家标准,提高准入门槛,强化能效约束,推动相关产业提质升级。加大中央预算内投资对高能效产品设备及相关零部件制造项目的支持力度。强化绿色金融支持,鼓励金融机构为相关企业研发制造高能效产品设备提供信贷支持。鼓励重点用能产品设备相关产业聚集地研究制定有针对性的政策,综合运用价格、投资、金融等措施,加大对相关企业的支持力度,引导和支持企业主动实施技术工艺升级、提升产品能效水平。
上述规定自2023年1月1日起执行,相关产品设备标准有特殊规定的,从其规定。各地方要深刻认识、高度重视提升重点产品设备能效水平工作的重要性,从本地区实际出发,坚持系统观念,尊重市场规律,细化工作要求,强化责任落实,积极有序推动相关产业提质升级,促进绿色消费,助力实现碳达峰碳中和。
附件:重点用能产品设备能效先进水平、节能水平和准入水平(2022年版)
国家发展改革委
工业和信息化部
财 政 部
住房城乡建设部
市场监管总局
2022年11月10日







