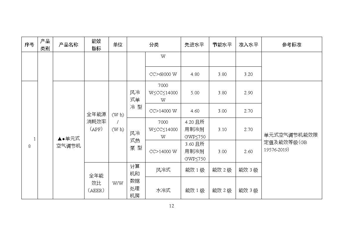
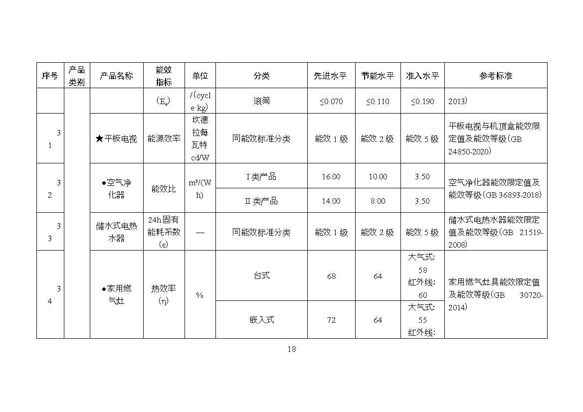
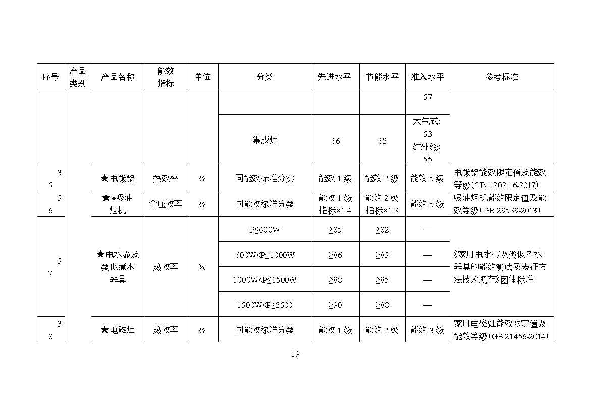
为全面贯彻党的二十大精神,加快节能降碳先进技术研发和推广应用,推动重点用能产品设备更新改造,更高水平更高质量做好节能工作,助力实现碳达峰碳中和,按照《国家发展改革委等部门关于统筹节能降碳和回收利用 加快重点领域产品设备更新改造的指导意见》(发改环资〔2023〕178号),国家发展改革委会同有关部门研究起草了《关于发布〈重点用能产品设备能效先进水平、节能水平和准入水平(2023年版)〉的通知》(征求意见稿),10月24日起向社会公开征求意见。
关于向社会公开征求《关于发布〈重点用能产品设备
能效先进水平、节能水平和准入水平(2023年版)〉的通知》意见的公告
为全面贯彻党的二十大精神,加快节能降碳先进技术研发和推广应用,推动重点用能产品设备更新改造,更高水平更高质量做好节能工作,助力实现碳达峰碳中和,按照《国家发展改革委等部门关于统筹节能降碳和回收利用 加快重点领域产品设备更新改造的指导意见》(发改环资〔2023〕178号),我们会同有关部门研究起草了《关于发布〈重点用能产品设备能效先进水平、节能水平和准入水平(2023年版)〉的通知》(征求意见稿),现向社会公开征求意见。
此次公开征求意见的时间为2023年10月24日至2023年11月24日。欢迎社会各界人士通过网络等方式提出意见。请登录国家发展改革委门户网站(.cn)首页意见征求专栏,进入“关于发布《重点用能产品设备能效先进水平、节能水平和准入水平(2023年版)》的通知”公开征求意见栏目,提出意见建议。
感谢您的参与和支持!
附件:关于发布《重点用能产品设备能效先进水平、节能水平和准入水平(2023年版)》的通知(征求意见稿)
国家发展改革委
2023年10月24日























