浙江省财政厅 浙江省生态环境厅发布通知,下达2024年中央水、大气、土壤污染防治资金和农村环境整治资金(第二批)并调整部分2023年中央大气污染防治资金,下达2024年中央水污染防治资金(第二批)17025万元,下达2024年中央大气污染防治资金(第二批)39832万元,下达2024年中央土壤污染防治资金(第二批)2672万元,下达2024年中央农村环境整治资金(第二批)810万元。
浙江省财政厅 浙江省生态环境厅关于下达2024年中央水、大气、土壤污染防治资金和农村环境整治资金(第二批)并调整部分2023年中央大气污染防治资金的通知
浙财资环〔2024〕42号
各有关市、县(市)财政局、生态环境局(分局):
根据《水污染防治资金管理办法》(财资环〔2021〕36号)、《大气污染防治资金管理办法》(财资环〔2021〕46号)、《土壤污染防治资金管理办法》(财资环〔2022〕28号)、《农村环境整治资金管理办法》(财资环〔2021〕43号)和《财政部关于下达2024年水污染防治资金预算(第二批)的通知》(财资环〔2024〕62号)、《财政部关于下达2024年大气污染防治资金(第二批)预算的通知》(财资环〔2024〕66号)、《财政部关于下达2024年土壤污染防治资金(第二批)预算的通知》(财资环〔2024〕63号)、《财政部关于下达2024年农村环境整治资金(第二批)预算的通知》(财资环〔2024〕64号)要求,结合中央生态环境资金项目储备库有关规定,现将2024年中央水、大气、土壤污染防治资金和农村环境整治资金(第二批)下达给你们。有关事项通知如下:
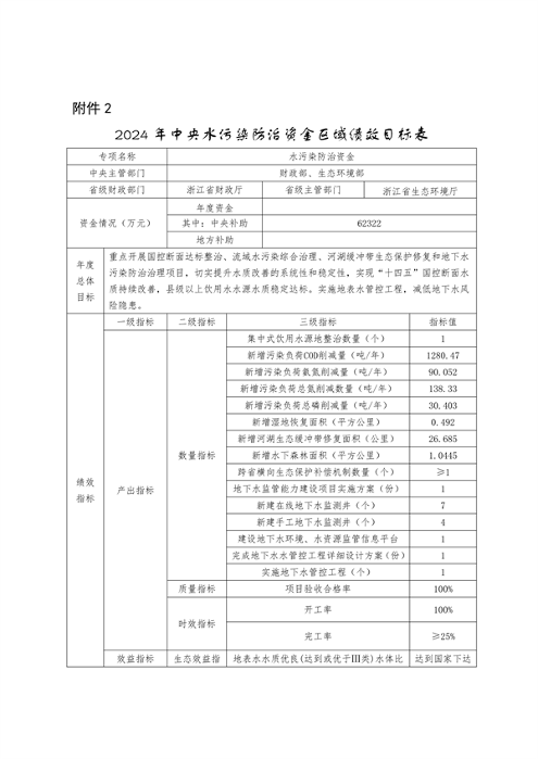
一、下达2024年中央水污染防治资金(第二批)17025万元,相应追加相关市、县(市)2024年“2110302水体”支出预算指标。
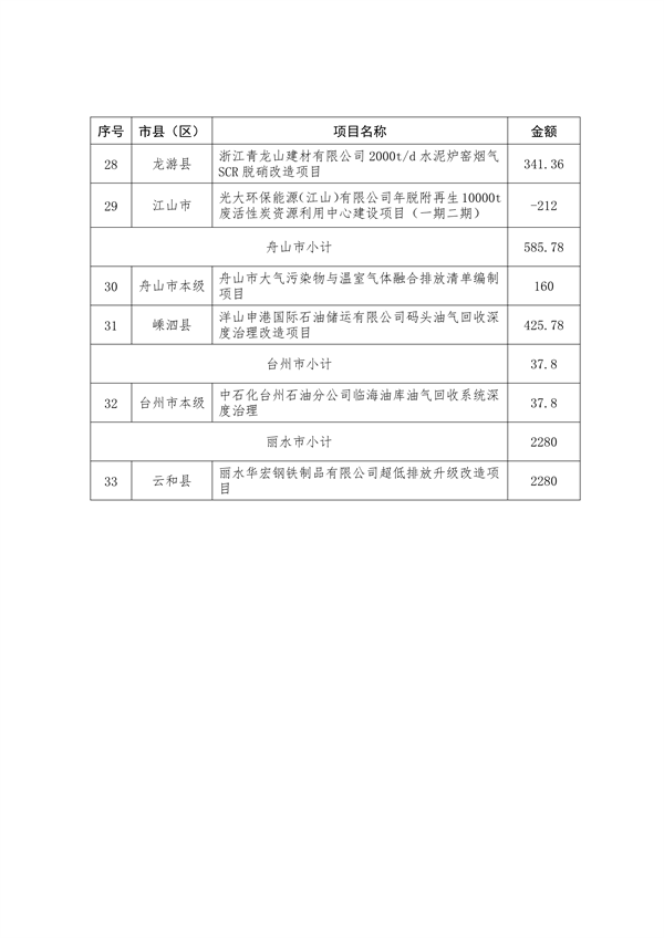
二、收回《浙江省财政厅 浙江省生态环境厅关于下达2023年中央水、大气、土壤污染防治资金和农村环境整治资金(第二批)的通知》(浙财资环〔2023〕35号)中的江山市“光大环保能源(江山)有限公司年脱附再生10000t废活性炭资源利用中心建设项目(一期二期)”项目预算212万元;下达2024年中央大气污染防治资金(第二批)39832万元,统筹用于中央生态环境资金项目储备库项目,相应追加(追减)相关市、县(市)2024年“2110301大气”支出预算指标。
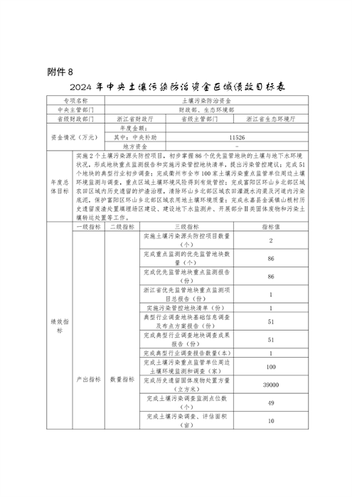
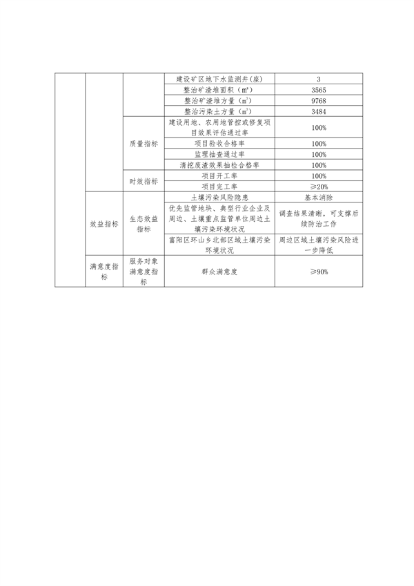
三、下达2024年中央土壤污染防治资金(第二批)2672万元,相应追加相关市、县(市)2024年“2110307土壤”支出预算指标。
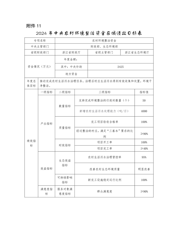
四、下达2024年中央农村环境整治资金(第二批)810万元,相应追加相关市、县(市)2024年“2110402农村环境保护”支出预算指标。
五、请各有关市、县(市)按照资金和项目管理相关要求,加快预算执行,强化绩效管理,加强资金使用监督,确保资金按照规定用途使用,充分发挥投资效益。同时,落实生态环保项目储备制度有关要求,按照“资金跟着项目走”的原则,做好项目储备工作,尽快形成有效投资,避免“资金等项目”。对已从中央基建投资等其他渠道获得中央财政资金支持的项目,不得纳入防治(整治)资金支持范围。


















